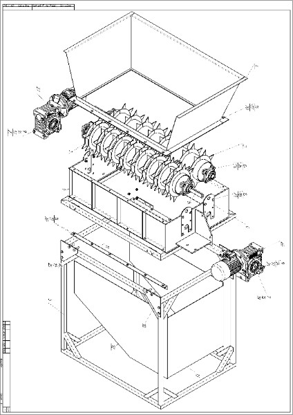
Разрыватель картона модели "НРК-1380" (ТМ "НЕТМУС")
Данное оборудование используется для дробления картона, в первую очередь объемных картонных коробок, для их последующего прессования с более высокой плотностью тюка. Оборудование опционально может быть оснащено:
• автореверсом и защитой от перегруза
• подающим и/или отводящим конвейером
Преимущества:
• возможность использования в различных линиях по переработки вторичного сырья
• прочная конструкция
• легкая замена ножей
• удобная и легкая очистка и обслуживание оборудования
*Показатель может изменяться в зависимости от типа измельчаемого сырья, интенсивности загрузки материала для измельчения


Разрыватель картона модели "НРК-1380" (ТМ "НЕТМУС")
Данное оборудование используется для дробления картона, в первую очередь объемных картонных коробок, для их последующего прессования с более высокой плотностью тюка. Оборудование опционально может быть оснащено:
• автореверсом и защитой от перегруза
• подающим и/или отводящим конвейером
Преимущества:
• возможность использования в различных линиях по переработки вторичного сырья
• прочная конструкция
• легкая замена ножей
• удобная и легкая очистка и обслуживание оборудования
*Показатель может изменяться в зависимости от типа измельчаемого сырья, интенсивности загрузки материала для измельчения

