Завод для переработки шин в гранулы или порошок
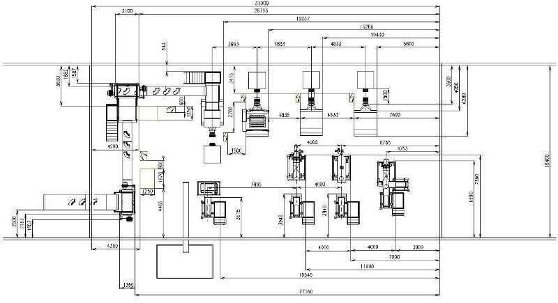
Оборудование, которое предлагает наша компания для обработки пневматических шин, обладает высокой гибкостью в использовании, так как оно способно обрабатывать и измельчать любой тип пневматических шин до состояния гранул. Переработка шин начинается с удаления металлокорда из бортов шины. Затем шины, двигаясь по линии, попадают в шредер, который измельчает пневматические шины на чипы для их последующей переработки. В конце всего процесса измельченные чипы с помощью ленточного конвейера направляются для выполнения операции гранулирования. В мельнице чипы измельчаются до гранул мельчайшего размера.
Наша компания может предложить технологическое решение для получения различной степени измельчения шин до крошки или порошка размером от 5 мм до 500 мкм. Размер крошки может быть отрегулирован в соответствии с самыми разнообразными требованиями Заказчика. Благодаря системе разделения, специально разработанной специалистами компании, в гранулах почти отсутствует текстильное волокно.
Производительность: от 1 до 6 т/ч.
На входе: предварительно подготовленные шины легковых и грузовых автомобилей
На выходе: гранулы или порошок диаметром от 5 мм до 500 мкм.
Предлагаемая технология и конструкция основаны на обширном опыте переработки отходов. Предлагаемое оборудования включает в себя полный цикл процесса переработки – начиная от целых шин и заканчивая получением высоко оборотной гранулированной резиной. Все шредеры имеют прочную конструкцию. Высокоскоростное оборудование с динамически сбалансированными роторами используется для тонкого измельчения. Компоненты оборудования, подвергающиеся наибольшему стиранию, изготовлены из износостойкой стали. Наиболее нагружаемые детали снабжены покрытием из шведской инструментальной стали, которая показывает минимальный показатель абразивного износа после 1000 часов работы. Ножи очень легко заменяются в случае необходимости. Низкоскоростные ножи могут быть повторно заточены после того как затупятся и использованы для дальнейшего измельчения. Место для низкоскоростных ножей защищено от стирания путем вращения пластин в сторону ножа, которое уменьшает износ материала на неподвижной стенке. Высокоскоростные ножи для тонкого измельчения позволяют использовать все четыре стороны ножа. Ножи можно затачивать по крайней мере, четыре раза, что положительно отражается на цене и в целом на процессе экономии.
Оборудование процесса измельчения подразделяется на следующее:
Линия предварительного дробления
Персонал отправляет шины с помощью конвейера в двухвальный низкоскоростной шредер. Этот шредер специально предназначен для измельчения шин. Шредер имеет легко заменяемые ножи без демонтажа шредера. Ножи изготовлены из специальной инструментальной стали. Шины предварительно измельчаются в чипы размером около 50 мм. Резиновая крошка затем попадает в сито, которое возвращает части более 50 мм назад к низкоскоростному шредеру. Измельчённый материал транспортируется в наполняемый резервуар.
Дробление для получения чипов 20-30 мм
Крошка из резервуара переносится в мельницу точно отрегулированным количеством в час. Мощность мельницы • 200 кВт, оснащена 28 мм экраном. Первое разделение металла происходит мельнице. После первого отделения в резине содержится максимум 1•5% металла. Резиновая крошка, произведённая мельницей, подходит в качестве заменителя топлива, например, для цементных заводов.
Тонкое измельчение для получения крошки 0-4 мм
После разделения металла, материал поступает в первую мельницу. Ножи мельницы изготовлены из специального материала способного измельчать смешанный материал, содержащий остаточные металлы. Мельница снабжена ситом, благодаря которому фракция на выходе составляет порядка 10 мм. Так же, как и первая мельница, G мельница снабжена защитным покрытием. Резиновая крошка транспортируется пневматическим циклоном. Вторая мельница G снабжена ситом, фракция на выходе – порядка 4 мм. Двойная сепарация металла происходит в этой части линии. Крошка транспортируется с помощью пневматического циклона, состоящего из вентилятора, трубопровода, циклона и удалителя пыли и текстиля. Выходящая крошка поступает в биг-бэги.
Завод по переработке шин полного цикла
Нашими партнерами разработано технологическое решение, при котором происходит не только переработка шин в резиновую крошку, а также разработана система для полезного и выгодного использования стали из перерабатываемых шин. Ранее на многих заводах данный материал рассматривался только в качестве отходов или материала, трудного для переработки. Переработка стали важна не менее получения качественной резиновой крошки или порошка. Резиновая крошка, которая является вторсырьем, получаемым при переработке шин может быть оперативно продана как на российском, так и на европейском рынках и используется как:
• верхний слой покрытия автодорог (добавки в асфальт).
• РТИ для машин.
• сырая резина и регенерат резины.
• резиновые коврики (под двери и в ванную).
• неровности для дороги (лежачий полицейский).
• прокладки для железнодорожных шпал.
• прокладки под железнодорожные рельсы и жд фурнитуру.
• вспенивающийся каучук.
• покрытие для спортивных площадок.
• заливные бесшовные покрытия.
• подошвы для обуви.
• покрытия новотрек.
• сантехнические прокладки.
• резиновая кровля и брусчатка.
• гранулы ЕРДМ.
• протекторная лента для восстановления колёс
• прокладки и уплотнители для дверей и окон.
• для отбойников причалов.
• покрытия для спортивных площадок и т.д.
| Технические характеристики | Единицы измерения | |
| Шредер ST 1300/50 150кВт | ||
| Габариты зоны дробления | мм | 1300x1150 |
| Ширина ножа | мм | 100, 90, 80, 70 |
| Вращение ротора | об/мин | 20 |
| Запуск двигателя | - | 2 планетарных коробки передач |
| Мощность | кВт | 150 |
| Количество держателей /ножей ротора | шт | 18/432 |
| Мощность вала на выходе | кВч | 75+75 |
| Производительность | т/час | 5 – 15 |
| Минимальная мощность гидравлического агрегата | кВч | 3 |
| Масса | т | 15 |
| Крутящий момент | Нм | 100000 |
| Размеры (Ш x Д x В) | мм | 3000x5000x3000 |
| Мельница GH 600/1200-6/6/28 | ||
| Диаметр ротора | мм | 600 |
| Длина ротора | мм | 1200 |
| Вращение ротора | об/мин | 500 |
| Мощность электродвигателя | кВч | 200 |
| Вращение электродвигателя | об/мин | 1470 |
| Количество ножей на роторе | шт | 24 |
| Количество заменяемых ножей | шт | 12 |
| Производительность материала, включая пыль (на выходе 70х70мм) | т | 2-3 |
| Минимальная мощность гидравлического агрегата | в | 0,37 |
| Масса | т | 10 |
| Размеры (Ш x Д x В) | мм | 2500x4000x3000 |
| Мельница G 600/1200-7/4/10 | ||
| Диаметр ротора | мм | 600 |
| Длина ротора | мм | 1200 |
| Вращение ротора | об/мин | 500 |
| Мощность электродвигателя | кВч | 90 |
| Вращение электродвигателя | об/мин | 1470 |
| Количество ножей на роторе | шт | 14 |
| Количество заменяемых ножей | шт | 8 |
| Производительность материала, включая пыль (на выходе 70х70мм) | т | 2 |
| Минимальная мощность гидравлического агрегата | в | 0,37 |
| Масса | т | 8 |
| Размеры (Ш x Д x В) | мм | 2500x4000x3000 |
| Мельница G 600/1200-7/4/4 | ||
| Диаметр ротора | мм | 600 |
| Длина ротора | мм | 1200 |
| Вращение ротора | об/мин | 500 |
| Мощность электродвигателя | кВч | 90 |
| Вращение электродвигателя | об/мин | 1470 |
| Количество ножей на роторе | шт | 14 |
| Количество заменяемых ножей | шт | 8 |
| Производительность материала, включая пыль (на выходе 70х70мм) | т | 1,5 |
| Минимальная мощность гидравлического агрегата | в | 0,37 |
| Масса | т | 8 |
| Размеры (Ш x Д x В) | мм | 2500x4000x3000 |
| Мельница G 600/1200-7/4/3 | ||
| Диаметр ротора | мм | 600 |
| Длина ротора | мм | 1200 |
| Вращение ротора | об/мин | 500 |
| Мощность электродвигателя | кВч | 90 |
| Вращение электродвигателя | об/мин | 1470 |
| Количество ножей на роторе | шт | 14 |
| Количество заменяемых ножей | шт | 8 |
| Производительность материала, включая пыль (на выходе 70х70мм) | т | 1 |
| Минимальная мощность гидравлического агрегата | в | 0,37 |
| Масса | т | 8 |
| Размеры (Ш x Д x В) | мм | 2500 x 4000 x 3000 |


Завод для переработки шин в гранулы или порошок
Оборудование, которое предлагает наша компания для обработки пневматических шин, обладает высокой гибкостью в использовании, так как оно способно обрабатывать и измельчать любой тип пневматических шин до состояния гранул. Переработка шин начинается с удаления металлокорда из бортов шины. Затем шины, двигаясь по линии, попадают в шредер, который измельчает пневматические шины на чипы для их последующей переработки. В конце всего процесса измельченные чипы с помощью ленточного конвейера направляются для выполнения операции гранулирования. В мельнице чипы измельчаются до гранул мельчайшего размера.
Наша компания может предложить технологическое решение для получения различной степени измельчения шин до крошки или порошка размером от 5 мм до 500 мкм. Размер крошки может быть отрегулирован в соответствии с самыми разнообразными требованиями Заказчика. Благодаря системе разделения, специально разработанной специалистами компании, в гранулах почти отсутствует текстильное волокно.
Производительность: от 1 до 6 т/ч.
На входе: предварительно подготовленные шины легковых и грузовых автомобилей
На выходе: гранулы или порошок диаметром от 5 мм до 500 мкм.
Предлагаемая технология и конструкция основаны на обширном опыте переработки отходов. Предлагаемое оборудования включает в себя полный цикл процесса переработки – начиная от целых шин и заканчивая получением высоко оборотной гранулированной резиной. Все шредеры имеют прочную конструкцию. Высокоскоростное оборудование с динамически сбалансированными роторами используется для тонкого измельчения. Компоненты оборудования, подвергающиеся наибольшему стиранию, изготовлены из износостойкой стали. Наиболее нагружаемые детали снабжены покрытием из шведской инструментальной стали, которая показывает минимальный показатель абразивного износа после 1000 часов работы. Ножи очень легко заменяются в случае необходимости. Низкоскоростные ножи могут быть повторно заточены после того как затупятся и использованы для дальнейшего измельчения. Место для низкоскоростных ножей защищено от стирания путем вращения пластин в сторону ножа, которое уменьшает износ материала на неподвижной стенке. Высокоскоростные ножи для тонкого измельчения позволяют использовать все четыре стороны ножа. Ножи можно затачивать по крайней мере, четыре раза, что положительно отражается на цене и в целом на процессе экономии.
Оборудование процесса измельчения подразделяется на следующее:
Линия предварительного дробления
Персонал отправляет шины с помощью конвейера в двухвальный низкоскоростной шредер. Этот шредер специально предназначен для измельчения шин. Шредер имеет легко заменяемые ножи без демонтажа шредера. Ножи изготовлены из специальной инструментальной стали. Шины предварительно измельчаются в чипы размером около 50 мм. Резиновая крошка затем попадает в сито, которое возвращает части более 50 мм назад к низкоскоростному шредеру. Измельчённый материал транспортируется в наполняемый резервуар.
Дробление для получения чипов 20-30 мм
Крошка из резервуара переносится в мельницу точно отрегулированным количеством в час. Мощность мельницы • 200 кВт, оснащена 28 мм экраном. Первое разделение металла происходит мельнице. После первого отделения в резине содержится максимум 1•5% металла. Резиновая крошка, произведённая мельницей, подходит в качестве заменителя топлива, например, для цементных заводов.
Тонкое измельчение для получения крошки 0-4 мм
После разделения металла, материал поступает в первую мельницу. Ножи мельницы изготовлены из специального материала способного измельчать смешанный материал, содержащий остаточные металлы. Мельница снабжена ситом, благодаря которому фракция на выходе составляет порядка 10 мм. Так же, как и первая мельница, G мельница снабжена защитным покрытием. Резиновая крошка транспортируется пневматическим циклоном. Вторая мельница G снабжена ситом, фракция на выходе – порядка 4 мм. Двойная сепарация металла происходит в этой части линии. Крошка транспортируется с помощью пневматического циклона, состоящего из вентилятора, трубопровода, циклона и удалителя пыли и текстиля. Выходящая крошка поступает в биг-бэги.
Завод по переработке шин полного цикла
Нашими партнерами разработано технологическое решение, при котором происходит не только переработка шин в резиновую крошку, а также разработана система для полезного и выгодного использования стали из перерабатываемых шин. Ранее на многих заводах данный материал рассматривался только в качестве отходов или материала, трудного для переработки. Переработка стали важна не менее получения качественной резиновой крошки или порошка. Резиновая крошка, которая является вторсырьем, получаемым при переработке шин может быть оперативно продана как на российском, так и на европейском рынках и используется как:
• верхний слой покрытия автодорог (добавки в асфальт).
• РТИ для машин.
• сырая резина и регенерат резины.
• резиновые коврики (под двери и в ванную).
• неровности для дороги (лежачий полицейский).
• прокладки для железнодорожных шпал.
• прокладки под железнодорожные рельсы и жд фурнитуру.
• вспенивающийся каучук.
• покрытие для спортивных площадок.
• заливные бесшовные покрытия.
• подошвы для обуви.
• покрытия новотрек.
• сантехнические прокладки.
• резиновая кровля и брусчатка.
• гранулы ЕРДМ.
• протекторная лента для восстановления колёс
• прокладки и уплотнители для дверей и окон.
• для отбойников причалов.
• покрытия для спортивных площадок и т.д.
| Технические характеристики | Единицы измерения | |
| Шредер ST 1300/50 150кВт | ||
| Габариты зоны дробления | мм | 1300x1150 |
| Ширина ножа | мм | 100, 90, 80, 70 |
| Вращение ротора | об/мин | 20 |
| Запуск двигателя | - | 2 планетарных коробки передач |
| Мощность | кВт | 150 |
| Количество держателей /ножей ротора | шт | 18/432 |
| Мощность вала на выходе | кВч | 75+75 |
| Производительность | т/час | 5 – 15 |
| Минимальная мощность гидравлического агрегата | кВч | 3 |
| Масса | т | 15 |
| Крутящий момент | Нм | 100000 |
| Размеры (Ш x Д x В) | мм | 3000x5000x3000 |
| Мельница GH 600/1200-6/6/28 | ||
| Диаметр ротора | мм | 600 |
| Длина ротора | мм | 1200 |
| Вращение ротора | об/мин | 500 |
| Мощность электродвигателя | кВч | 200 |
| Вращение электродвигателя | об/мин | 1470 |
| Количество ножей на роторе | шт | 24 |
| Количество заменяемых ножей | шт | 12 |
| Производительность материала, включая пыль (на выходе 70х70мм) | т | 2-3 |
| Минимальная мощность гидравлического агрегата | в | 0,37 |
| Масса | т | 10 |
| Размеры (Ш x Д x В) | мм | 2500x4000x3000 |
| Мельница G 600/1200-7/4/10 | ||
| Диаметр ротора | мм | 600 |
| Длина ротора | мм | 1200 |
| Вращение ротора | об/мин | 500 |
| Мощность электродвигателя | кВч | 90 |
| Вращение электродвигателя | об/мин | 1470 |
| Количество ножей на роторе | шт | 14 |
| Количество заменяемых ножей | шт | 8 |
| Производительность материала, включая пыль (на выходе 70х70мм) | т | 2 |
| Минимальная мощность гидравлического агрегата | в | 0,37 |
| Масса | т | 8 |
| Размеры (Ш x Д x В) | мм | 2500x4000x3000 |
| Мельница G 600/1200-7/4/4 | ||
| Диаметр ротора | мм | 600 |
| Длина ротора | мм | 1200 |
| Вращение ротора | об/мин | 500 |
| Мощность электродвигателя | кВч | 90 |
| Вращение электродвигателя | об/мин | 1470 |
| Количество ножей на роторе | шт | 14 |
| Количество заменяемых ножей | шт | 8 |
| Производительность материала, включая пыль (на выходе 70х70мм) | т | 1,5 |
| Минимальная мощность гидравлического агрегата | в | 0,37 |
| Масса | т | 8 |
| Размеры (Ш x Д x В) | мм | 2500x4000x3000 |
| Мельница G 600/1200-7/4/3 | ||
| Диаметр ротора | мм | 600 |
| Длина ротора | мм | 1200 |
| Вращение ротора | об/мин | 500 |
| Мощность электродвигателя | кВч | 90 |
| Вращение электродвигателя | об/мин | 1470 |
| Количество ножей на роторе | шт | 14 |
| Количество заменяемых ножей | шт | 8 |
| Производительность материала, включая пыль (на выходе 70х70мм) | т | 1 |
| Минимальная мощность гидравлического агрегата | в | 0,37 |
| Масса | т | 8 |
| Размеры (Ш x Д x В) | мм | 2500 x 4000 x 3000 |

