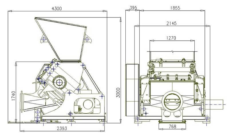
Ножевая мельница G600/1200
Ножевые мельницы используются для измельчения небольших однородных материалов, таких как пластик, резина, дерево, мягкие металлы.
Особенности:
• возможность использования в линиях сортировки отходов и переработки вторичного сырья.
• массивная и прочная конструкция.
• ножи изготовлены из высокопрочной стали.
• удобная и легкая очистка оборудования при смене материала.
• оптимальный размер сита для контроля измельчения.
• возможность установки различных типов загрузочного окна и подающих конвейеров.
| Технические характеристики | Единицы измерения | G600/1200 |
| Загрузочное окно | мм | 600х1200 |
| Камера дробления | мм | 600х1200 |
| Длина ножей | мм | 1200 |
| Электромотор | кВт | 90 |
| Производительность | кг/ч | 1600-2000 (при размере сита 8 мм) |
| Размер материала на выходе | мм | 2 – 150 |
| Масса | кг | 5000 |
| Габариты (ДхШхВ) | мм | 2800x2300x3000 |
| Сертификаты | - | ЕС, РФ |
| Модель | G150/240 | G200/300 | G300/400 | G400/600 |
| Мощность (кВт) | 1,5 | 5,5 | 15 | 30 |
| Производительность (кг/ч) | 15-45 | 40 - 70 | 80-120 | 250 – 350 |
| Габариты (мм) | 600x535x1100 | 920 х 705 х 1392 | 1100x1300x1800 | 1400x1900x2200 |
| Масса (кг) | 50-100 | 350 | 600 | 1500 |
| Загрузочное окно (мм) | 150х240 | 200 х 300 | 300х400 | 400х600 |
| Длина ножей (мм) | 240 | 300 | 400 | 600 |
| Гарантия (г) | 2 | 2 | 2 | 2 |
| Модель | G400/900 | G500/600 | G500/900 | G600/1200 |
| Мощность (кВт) | 45 | 45-75 | 75 | 90 |
| Производительность (кг/ч) | 400-520 | 300-1500 | 800-1000 | 1600-2000 |
| Габариты (мм) | 2100x1400x2200 | 2243x1545x2771 | 2300x2100x2600 | 2800x2300x3000 |
| Масса (кг) | 2000 | 3000 | 4000 | 5000 |
| Загрузочное окно (мм) | 400х900 | 500х600 | 500х900 | 600х1200 |
| Длина ножей (мм) | 900 | 600 | 900 | 1200 |
| Гарантия (г) | 2 | 2 | 2 | 2 |

Ножевая мельница G600/1200
Ножевые мельницы используются для измельчения небольших однородных материалов, таких как пластик, резина, дерево, мягкие металлы.
Особенности:
• возможность использования в линиях сортировки отходов и переработки вторичного сырья.
• массивная и прочная конструкция.
• ножи изготовлены из высокопрочной стали.
• удобная и легкая очистка оборудования при смене материала.
• оптимальный размер сита для контроля измельчения.
• возможность установки различных типов загрузочного окна и подающих конвейеров.
| Технические характеристики | Единицы измерения | G600/1200 |
| Загрузочное окно | мм | 600х1200 |
| Камера дробления | мм | 600х1200 |
| Длина ножей | мм | 1200 |
| Электромотор | кВт | 90 |
| Производительность | кг/ч | 1600-2000 (при размере сита 8 мм) |
| Размер материала на выходе | мм | 2 – 150 |
| Масса | кг | 5000 |
| Габариты (ДхШхВ) | мм | 2800x2300x3000 |
| Сертификаты | - | ЕС, РФ |
| Модель | G150/240 | G200/300 | G300/400 | G400/600 |
| Мощность (кВт) | 1,5 | 5,5 | 15 | 30 |
| Производительность (кг/ч) | 15-45 | 40 - 70 | 80-120 | 250 – 350 |
| Габариты (мм) | 600x535x1100 | 920 х 705 х 1392 | 1100x1300x1800 | 1400x1900x2200 |
| Масса (кг) | 50-100 | 350 | 600 | 1500 |
| Загрузочное окно (мм) | 150х240 | 200 х 300 | 300х400 | 400х600 |
| Длина ножей (мм) | 240 | 300 | 400 | 600 |
| Гарантия (г) | 2 | 2 | 2 | 2 |
| Модель | G400/900 | G500/600 | G500/900 | G600/1200 |
| Мощность (кВт) | 45 | 45-75 | 75 | 90 |
| Производительность (кг/ч) | 400-520 | 300-1500 | 800-1000 | 1600-2000 |
| Габариты (мм) | 2100x1400x2200 | 2243x1545x2771 | 2300x2100x2600 | 2800x2300x3000 |
| Масса (кг) | 2000 | 3000 | 4000 | 5000 |
| Загрузочное окно (мм) | 400х900 | 500х600 | 500х900 | 600х1200 |
| Длина ножей (мм) | 900 | 600 | 900 | 1200 |
| Гарантия (г) | 2 | 2 | 2 | 2 |
